鼎升電力是專業串聯諧振生產廠家,串聯諧振技術榮獲多項國家技術專利,經各省級計量技術研究院等機構認證,10年服務829家電力單位和相關機構客戶。
串聯諧振是中頻電源的一種諧振形式。而中頻電源整流器及其類型 無論中頻電源采用何種諧振形式,必須先將三相供電電源整流為直流電源,再將直流電源逆變成 單相中頻電源,才能向負載提供電能。下面鼎升電力就根據逆變器種類的不同,來詳細介紹串聯諧振中頻電源。
整流器共分3種形式,根據逆變器種類的不同,串聯諧振式中頻電源采用的整流器形式也不同。
1.三相不可控整流器,其輸出電壓取決于電源進線線電壓,整流器的輸出電壓不可控制;因此,不可控整流器必須與一個可調電源輸出功率的逆變器一起使用。
2.三相全控整流器,通過調節可控硅的控制角 α 來 控制整流輸出電壓,從而調整輸出功率。其優點是 整流輸出電壓可控、可調,但存在兩個缺點:一是 當整流器的直流輸出電壓下降時,進線電網的功率 因數也將隨之下降;二是控制響應時間較慢,因為 它不可能比其采用的進線頻率響應更快。當然可以 彌補這些缺點,但需采用一些復雜的附加功率器件。
三相全控整流器的電壓是通過改變可控硅的α角來調整的。不同的α角,整流輸出的電壓也不同,其輸出電壓為:

式中 Ud ——— 直流電壓(整流器輸出電壓),V;
U ——— 進線電壓,V;
α ——— 可控硅控制角,(°)。
由式(1)可以看出:改變 α 角就可以改變整流 器的輸出電壓。
在不同角度下整流器的輸出電壓波形是不同 的,當 α=0°時,整流器的輸出電壓是連續的脈動 波形,隨著 α 角增大,電壓波形的脈動值越大;
當 α∧60°后,整流器的輸出電壓波形不再連續, 此時為了保障輸出電流的連續,必須在整流器的輸
出端串接一臺電感量很大的續流電抗器 LD,同時 隨著 α 角度的改變,整流器的功率因數也會隨之 改變。下面來分析 α 角對功率因數的影響。
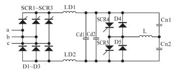
3.三相半控整流器,該整流器可通過調節可控 硅 SCR1~SCR3 來調節整流電壓。
在以上 3 種整流器中,應用最廣的是三相全控整流器,該整流器的優點是輸出電壓連續可調,適用于各種直流負載電路。中頻電源的并聯諧振逆變器中,由于逆變器的工作頻率必須和其負載 LC 的振蕩頻率相同才能正常工作,并聯逆變器的輸出功率無法自己調整,必須通過改變其輸入電壓大小才 能調整輸出功率;因此,并聯諧振逆變器必須采用 三相全控整流器為其提供電能。
中頻電源的逆變器常見的有兩大類:一類為并聯諧振式逆變器,另一類為串聯諧振式逆變器。 并聯諧振式逆變器就是電容器 C 和線圈 L 連 接成并聯式諧振回路,串聯諧振式逆變器是電容器 C 和線圈 L 連接成串聯式諧振回路。并聯逆變器和 串聯逆變器是中頻電源逆變器的基本形式,但特性 各異,目前應用最多的是并聯諧振式逆變器。
串聯諧振式逆變器受技術條件限制,在我國發展較晚,至今也只有為數不多的企業能夠生產制造。 并聯諧振式逆變器的輸出電壓為正弦波,電流為方波,采用自激方式控制,其工作頻率為 LC 的 自由振蕩頻率,輸出功率大小根據輸入電壓高低確 定,需要恒流源供電。串聯諧振式逆變器輸出電壓 為方波,電流為正弦波,采用他激方式控制,通過 改變逆變器的頻率來調整逆變器的輸出功率,采用恒壓源為其供電。
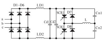
并聯逆變器必須采用 三相全控整流器作為直流電源,其主電路原理如圖 1 所示。而串聯逆變器原則上 3 種整流器均可為其 供電,但為了控制方便和節能,一般采用三相不可 控整流器或三相半控整流器作為直流電源,如圖 2 ~3 所 示 。 其 中 : a、 b、 c 代 表 三 相 , SCR1 ~SCR10 為可控硅,LD 為濾波電抗器,L 為振蕩線 圈,C 為振蕩電容器,D1~D8 為整流二極管,Cd1、 Cd2 為濾波電容器,Cn1、Cn2 為諧振電容器。

圖 1 三相全控整流器并聯諧振式主電路

圖 2 三相不可控整流器串聯諧振式主電路

圖 3 三相半控整流器串聯諧振式主電路
串聯諧振逆變器雖然采用三相半控整流器提供直流電源,但不用來調壓,只用來在軟啟動和出現 故障時作為電子開關,快速切斷電源。正常工作 時,可控硅總是處于全導通狀態,其工作特性與圖 2 所示的三相不可控整流器串聯諧振電路完全相同。一般 100 kW 以上的中頻電源多采用此種整流方式。
提示:如果您閱讀過程中遇到"串聯諧振式中頻電源"相關技術問題,您可撥打027-87180938 咨詢!
更多技術問題請致電鼎升電力客戶服務:400-6698-612,技術部專線:027-87180938,在線客服:
2239963269