• 鼎升電力二維碼
  • 電力預防性試驗China Electric Industry Ieaders
  • 全國統一服務熱線:400-6698-612

YDJ油浸式試驗變壓器操作方法

  • 適用于電力系統對各種高壓電氣設備、絕緣材料進行工頻或直流高壓下的絕緣強度試驗
  • 產品說明書 技術參數 附件清單
  • 提醒:關于咨詢、購買、維護及產品故障等相關服務,致電客服。

油浸式試驗變壓器操作方法

一、油浸式試驗變壓器使用方法

YDJZ 試驗變壓器做被試品的工頻耐壓試驗使用接線原理圖見圖1。

油浸式試驗變壓器使用接線原理圖圖1 圖中:R1 ?C 限流電阻RCF ?C 阻容分壓器 RF ?C 球間隙保護電阻 G ?C 球間隙 CX ?C 被試品
注:高壓尾必須可靠接地。
1.1 工頻耐壓試驗中限流電阻R1應根據試驗變壓器的額定容量來選擇。如高壓側額定輸出電流在100?C300mA時,可取0.5 - 1Ω?M?ィㄊ匝櫚繆梗?;高壓側額定輸出電流為1A以
上時,可取1Ω?M?ィㄊ匝櫚繆梗?。常用水電阻作為限流電阻,管子長度可按150KV?Mm考慮,管子的粗細應具有足夠的熱容量(水阻液配制方法:用蒸餾水加入適量硫酸銅配
制成各種不阻值。同的
1.2 球間隙及保護電阻:當電壓超過球間隙整定值時(一般取試驗電壓的110% - 120%)球間隙放電,對被試品起到保護作用。球間隙保護電阻可按1Ω?M?ィㄊ匝櫚繆梗┭?
1.3 在工頻耐壓試驗中,低壓側測量電壓(儀表電壓)不是非常準確的,其原因是由于試驗變壓器存在著漏坑,在這上個漏抗上必然存在著壓降或容升,使試品上的電壓低于
或高于低壓側測量電壓表上反映出來的電壓。工頻耐壓試驗時,被試品上的電壓高于試驗變壓器的輸出電壓,也就是所謂容升現象。感應耐壓試驗時,試驗變壓器的漏抗必須
存在著壓降。為了準確測量被試品上所施加的電壓,因此常在高壓側接入FRC阻容分壓器來測量電壓(見圖1)。

二、工頻耐壓試驗操作注意事項

2.1 試驗人員應做好分工,明確相互間聯系辦法。并有專門人監護現場安全及觀察試品狀態。
2.2 油浸式試驗變壓器應先清掃干凈,并絕對干燥,以免損壞被試品和試驗帶來的誤差。
2.3 對于大型試驗,一般都應先進行空升試驗。即不接油浸式試驗變壓器時升壓至試驗電壓,校對各種表計,調整球間隙。
2.4 升壓速度不能太快,并必須防止突然加壓。例如調壓器不在零位的突然合閘。也不能突然切斷電源,一般應在調壓器降至零位時拉閘。
2.5 當電壓升至試驗電壓時,開始計時,到1min后,迅速降壓到1?M3試驗電壓以下時,才能拉開電源。
2.6 在升壓或耐壓試驗過程,如發現下列不正常情況時,應立即降壓,切斷電源。停止試驗并查明原因:1)電壓表指針擺動很大;2)發現絕緣燒焦或冒煙;3)
被試品內有不正常的聲音。
2.7 耐壓試驗前后應測量絕緣電阻,檢查絕緣情況。
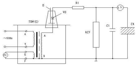
2.8 試驗變壓器在做被試品的直流耐壓或泄漏試驗時接線原理圖如圖2。
注:此試驗應先抽出短路桿"D",圖2中所示。 油浸式試驗變壓器高壓直流泄漏試驗接線圖 圖2:高壓直流泄漏試驗接線圖 圖中:VD?C高壓硅堆R1?C限流電阻 C1?C高壓濾波電容 RCF-阻容分壓器 CX?C被試品 uA?C帶保護微安表 泄露試驗中限流電阻R1選擇在額定輸出電壓時,輸出端短路電流不超過高壓硅堆的最大整流電流。如電壓硅堆的最大整流電流為100mA時用于60KV的試驗裝置中,
限流電阻按R1=60/0.1=600KΩ選擇。限流電阻還應具有足夠的容量和沿面放電距離。高壓濾流電容C1一般選擇在0.01 ?C 0.1uF,當被試品的電容量很大時,C1可省略不用。

三、泄漏試驗的操作及注意事項

3.1 試驗前應先檢查油浸式試驗變壓器是否停電,接地放電,一切對外連線是否擦干凈。要嚴防將試驗電壓加到有人工作的部位上去。
3.2 接好試驗裝置的接線后,應復查無誤后才可加壓。應特別注意檢查高壓設備及引線與地、與操作人員工安全距離,被試品的外殼是否可靠接地,要按安全規程中所規定的內容進行試驗。
3.3 對于大電容量設備應緩慢升壓,防止油浸式試驗變壓器的充電電流燒壞微安表。必要時應分級加壓,分別讀取各級電壓下微安表的穩定讀數。
3.4 試驗過程,應密切監視被試品、試驗裝置、微安表,一旦發生擊穿、閃爍等異常現象應立即降壓,切斷電源,并查明原因,詳細記錄。
3.5 試驗完畢,降壓,切斷電源后應將被試品及試驗裝置本身充分放電。

四、油浸式試驗變壓器注意事項

4.1 按照您所進行的試驗接好工作線路。試驗變壓器的外殼以及操作系統的外殼必須可靠接地。試驗變壓的高壓繞組的X端(高壓尾)以及測量繞組的F端必須可靠接地。
4.2 做串級試驗時,第二級、第三級試驗變壓器的低壓繞組成X端,測量繞組的F端以及高壓繞組的X端(高壓端)均接本級試驗變壓器具外殼。第二級、第三級試驗變壓器的外殼必須通過絕緣支架接地。
4.3 油浸式試驗變壓器接通電源前,操作系統的調壓器必須調到零位后方可接通電源,合閘,開始升壓。
4.4 從零開始勻速旋轉調壓器手輪升壓。升壓方式有:快速升壓法,即20s逐級升壓法;慢速升壓法,即60s逐級升壓法;極慢速升壓法供選用。電壓從零開始按一定的升壓方式和速 度上升到您所需的額定試驗電壓的75% 后,再以每秒2% 額定試驗電壓的速度升到您所需的試驗電壓,并密切注意測量儀表的及被試品的情況。升壓過程中或試驗過程中如發現測 量儀表的指示及被試品情況異常,應立即降壓,切斷電源,查明情況。
4.5 試驗完畢后,應在數秒內勻速的將調壓器返回至零位,然后切斷電源。
4.6 油浸式試驗變壓器不得超過額定參數使用。除試驗必需外,決不電壓通電或斷電。
4.7 使用油浸式試驗變壓器做高壓試驗時,除熟悉本說明書外,還必須嚴格執行國家有關標準和操作規程。如《高壓輸變設備的絕緣配合,高壓試驗技術》;《電氣設備預防性試驗規程》等

廠家承諾、客戶必讀
說明我公司將竭誠為您提供專業的產品及咨詢與有效的技術服務,并及時提供工程預約及產品使用疑難解答, 已購買或即將使用本公司產品的客戶,遇技術疑難,請致電我們。

我們嚴格遵守與客戶簽訂的合同的各項條款,嚴格履行廠家銷售服務承諾書,本產品一年質保,終身維修,因使用不當或保修期外的故障產品可憑產品保修卡修理。本公司堅持"用戶為是,品質為上"的服務使命,為客戶提供優質的產品和滿意的服務。

產品服務流程|檢定證書| 出廠報告|保修卡|物流包裝|產品技術

400-6698-612 全國產品統一服務熱線(免費咨詢)
027-87875698 / 027-87180938

027-87180938
工作時間(上午8點30分 至 下午17點30分)

產品維修中心|技術咨詢|訂制產品
  • 客服中心
  • 全國統一服務熱線:400-6698-612
  • 銷售咨詢:027-87875698
  • 技術售后:027-87180938
  • 2239963269 (點擊咨詢)
Copyright © 2016 CHINA DSEPA | 法律聲明 鄂ICP備14004560號
武漢鼎升電力自動化有限責任公司 版權所有 侵權必究