• 鼎升電力二維碼
  • 電力預防性試驗China Electric Industry Ieaders
  • 全國統一服務熱線:400-6698-612

DBJF-H數字局部放電檢測系統操作方法

  • 該局部放電檢測系統應用于各類高壓電器設備的局放測量,代表國內數字局放的先進技術
  • 產品說明書 技術參數 附件清單
  • 提醒:關于咨詢、購買、維護及產品故障等相關服務,致電客服。

數字局部放電檢測系統操作方法

數字局部放電檢測系統操作說明

(一)試驗準備

1. 檢查試驗場地的接地情況,將數字局部放電檢測系統后部的接地螺栓34用粗銅線(最好用編織銅帶)與試驗場地的接地線妥善相接。輸入單元的接地短路片也要妥善接地。
2. 根據試品電容CX耦合電容CK的大小,選取合適序號的輸入單元,表一中調諧電容量系指從輸入單元初級繞組兩端看到的等效電容(可按CX與CK的串聯值粗略估算)。
輸入單元應盡量靠近被測試品,輸入單元的"接放大器"Q9插座,經8米長電纜與儀器后背板上的放大器輸入插座26(有綠色圈)相接。
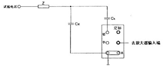
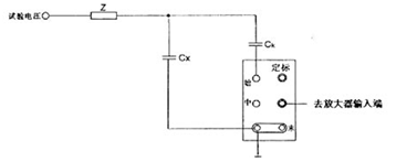
3. 數字局部放電檢測系統接入輸入單元的方法主要有以下幾種(見圖1)。
數字局部放電檢測系統并聯接法圖圖1a 并聯接法 數字局部放電檢測系統并聯接法圖圖1b 并聯接法 數字局部放電檢測系統橋式接法圖橋式接法 數字局部放電檢測系統平衡式接法圖平衡試接法 圖中:CX——試品;CK——耦合電容;Z——阻塞阻抗;
R3、C3、R4、C4——橋式接法中平衡調節阻抗。
4. 在高壓端接上電阻分壓器或者電容分壓器,其輸出經測量電纜接到后背板"接高壓電阻"輸入插座27(紅色)。
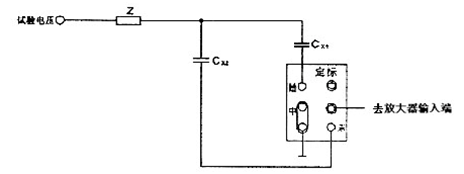
5. 常用局部放電試驗電路見圖2
數字局部放電檢測系統局部放電試驗標準接法電路圖圖2 局部放電試驗標準接法電路(直接法的并聯法) 圖中:A-輸入單元的初級始端;B-輸入單元的初級末端,C-輸入單元的初級中心抽頭,E-輸入單元地。

(二)數字局部放電檢測系統使用步驟

1. 開機準備

    將"時基頻率"選擇7置于"50(內)""時基工作方式"5置于"橢圓"。對數線性選擇開關 2置于線性。電源插座33接上220V工頻電源,將電源開關12按到"ON"位置,開機預熱
5分鐘。

2. 數字局部放電檢測系統校準:

參照圖2接好線后,在未加試驗電壓前用JZF型校正脈沖發生器予以校準。
注意:校正脈沖發生器紅端子上的導線盡量短且接在試品的高壓端,黑端子導線接在試品的低壓端。
調節"放大器增益細調"13與"放大器增益粗調"15使注入脈沖高度適當(示波屏上顯示高度2cm以下);電壓、放電量數字表(3)的示數和線性、對數指針表(1)的示數與
注入已知電量相符。
校準完畢后,"放大器增益細調"(13)的旋鈕位置不能再改變,在以后測試中放大器的頻帶也不能改變,必須保持與校正時相同。
在校準完畢后,加試驗電壓前,一定要斷開校正脈沖發生器與試品的連接線,以防高電壓打壞校正脈沖發生器。
下面以圖2為例,介紹一種試驗方法:
例:用-9或-10型校正脈沖發生器注入試品兩端的電量為50pC,調節局放儀面板粗調旋鈕15,在第三檔調節放大器增益細調旋調13,使其表頭"1"指示為50pC。去掉校正
脈沖發生器,加入試驗電壓,此時表頭1所指示值即為放電量值的大小,如大于50pC時應衰減"15"一檔("15"為放大器增益粗調共分5檔,每檔20dB,10倍的關系)。

3. 測試操作

a.接通高壓試驗電路電源,將kV-pC選擇開關4置于"kV","零標選擇"開關25置于"R"位置,緩緩升高試驗電壓,橢圓上將出現兩個零標脈沖,零標相位差180°,如試驗電
壓超過高壓電阻R的額定電壓等級,則可在低電壓下將"零標選擇"開關25置于"內"位置,出現由儀器產生的輔助零標脈沖,這時可以調節旋鈕23,使輔助零標相位與"R"檔
時;相符(極性也要一致),則在高壓下不用高壓電阻"R"也可獲得正確的零標位置。
b. 旋轉"橢圓旋轉"9使橢圓轉到預期的在放電時能最利于觀察之處,通常這個位置是零標脈沖分別處于橢園上部左側及下部右側之處。連續升高電壓,注意第一次出現持
續放電,當放電量超過規定的最低值時的電壓即為局部放電起始電壓。
c. 測試中常會發現有各種干擾出現,可籍"時間窗"開關18、19、用一個或兩個并用電位器17與 20來改變橢圓上加亮區域的寬度與位置。使其避開干擾脈沖。用時間窗裝
置可以分別測量產生于兩個半波內的放電量。

4.頻率高于50Hz的局部放電試驗

    4.1 當須進行高于50Hz的局部放電試驗時,可將"時基頻率"選擇7按在相應頻率檔上,從高頻試驗電源中取10V-250V試驗電壓送入插座29上,(轉動"高頻電壓"選擇8,使
橢圓大小適當即可,)
4.2當"高頻電壓"選擇8位置不當引起過載時,則電源會自動切斷,同時過載指示燈6亮,此時應將"高頻電壓"選擇8順時針方向轉到底,按一下"復位"按鈕11即可恢復啟動
(過載指示燈6滅)。示波屏上出現橢圓顯示。
注意:為保護示波管,試驗電壓輸入"高頻電壓"選擇8所示值之比大于15%時才有橢園顯示。

(三)輸出電壓設置

   按一下"啟動"按鈕,根據所需試驗電壓,順時針轉動"電壓調節"旋鈕,同時觀察輸出電壓窗口中示值達到所需電壓值時,停止轉動電壓調節旋鈕,并保持"電壓調節"旋鈕位置不變 按下"復位"按鈕,則試驗電壓設定完畢。 注:在以后測試過程中,如不改變試驗電壓,每次測試只需按一下"啟動"按鈕即可。如需改變試驗電壓,則重復上述步驟。
讀數方式如下:
a. 數顯式: 由儀器"電壓"顯示窗口直接讀取輸出電壓值。

(四)附則

1. 放電類型和放電源的辨認

    先介紹一下示波屏上的橢圓軌跡,它是順時針方向旋轉,正零標脈沖表示試驗電壓開始由負變向正極性;負零標脈沖則與之相反,兩零標間的中點為試驗電壓的正、負峰值部位。
    從橢圓上的放電圖形辯認放電類型以及識別各種干擾是一門技術性很強并需有豐富實踐經驗的學問(最好再結合其他方法予以確認)。CIGRE(國際大電網會議)也為須此專門編了
放電圖形識譜的小冊子,它是根據放電圖形中放電位置、移動與否,正負半周的放電幅值一致程度以及放電幅值隨試驗電壓及加壓時間的變化特征來判斷的,這里只能粗略加以介
紹。
一般來說來,視為真正的內部氣泡形成的局部放電,其主要特征是放電大多產生在靠近試驗電壓峰值前上升部位的兩半周內。
(1)典型的內部氣泡局部放電(見圖3),波形特征:
a放電主要顯示在試驗電壓由零升到峰值的兩個橢圓相限內。
b在起始電壓 Ui時放電通常發生在峰值附近,試驗電壓超過 Ui時,放電向零位延伸。
c兩個相反半周上放電次數和幅值大致相同(最大相差至3:1)。
d放電波形可分辨。這里又有幾種情況:
1)如果放電幅值隨試驗電壓上升而增大,并且放電波形變得模糊不可分辨,則往往是介質內含有多種大小氣泡,或是介質表面放電;
2)如果除了上述情況,而且放電幅值隨加壓時間而迅速增長(可達100倍或更多),則往往是絕緣液體中的氣泡 放電,典型例子是油浸紙電容器的放電。 用線控端子進行耐電
壓測試(面板上"啟動"、"復位"按鈕失效,)"定時"鍵置于"關"位置。
數字局部放電檢測系統局部放電試驗標準接法電路圖圖3 局部放電試驗標準接法電路(直接法的并聯法)     (2)金屬與介質間氣泡的放電(見圖4 a),波形特征:正半周有很多幅值小的放電,負半周有少數幅值大的放電,幅值相差可達10:1。其它同上,典型例子是絕緣與導體粘附不 佳的聚乙烯電纜放電。如果隨試驗電壓升高,放電幅值也增大,而且放電波形變得模糊,則往往中含有不同大小多個氣泡,或者是外露的金屬與介質表面之間出現的放電(見圖4
b)。數字局部放電檢測系統局部放電試驗標準接法電路圖 圖4 a 圖4b 下面討論一些主要視之為干擾或非正常放電的情況。
    (3)懸浮電位物體放電(見圖5 a),波形特征:在電壓峰值前的正負半周兩個象限里出現,幅值、脈沖數和位置均相同,有時(如圖7 b所示)成對出現,放電可移動,但它們間的相互間隔不變,電壓升高時,根數增加,間隔縮小,但幅值不變,有時電壓升到一定值時會消失,但降至此值又重新出現。原因:金屬間的間隙產生的放電,間隙可能是地面上兩個獨立的金屬體間也可能在樣品內,例如屏蔽松散。
數字局部放電檢測系統局部放電試驗標準接法電路圖 圖5 a 5b     (4)外部尖端電暈(見圖6 a),波形特征:起始放電僅出現在試驗電壓的一個半周上,并對稱地分布峰值兩側。試驗電壓升高時,放電脈沖數急劇增加,但幅值不變,并向兩側伸展(如圖6 b所示)。原因:空氣中高壓尖端或邊緣放電。如果放電出現在負半周,表示尖端處于高壓,如放電出現在正半周則表示尖端處于地電位。
數字局部放電檢測系統局部放電試驗標準接法電路圖 圖6 a 圖6b     (5)液體介質中的尖端電暈(圖7 a),波形特征:放電出現在兩個半周上,對稱地分布在電壓峰值兩則。每一組放電均為等間隔,但一組幅值較大的放電先出現,隨試驗電壓升 高而幅度增大,不一定等幅值:一組幅值小的放電幅值相等,并且不隨電壓變化(如圖9 b所示)。原因:絕緣液體中尖端或邊緣放電,如一組大的放電出現在正半周,則尖端處于高壓;如它出現在負半周,則尖端處于地電位。
數字局部放電檢測系統局部放電試驗標準接法電路圖 圖7 a 圖7b

二、數字局部放電檢測系統使用注意事項

2.1. 數字局部放電檢測系統使用前務必詳閱此使用說明書,并遵照指示步驟,依次操作。
2.2. 請勿使用非原廠提供之附件,以免發生危險。
2.3. 數字局部放電檢測系統與被測物必須良好接地,不允許隨意扎在自來水管道上。
2.4. 數字局部放電檢測系統產生的高壓足以造成人員傷亡。為預防觸電事故的發生,在使用本儀器前,請先戴上緣橡皮手套,腳下墊絕緣橡皮墊,然后進行有關操作。
2.5. 當數字局部放電檢測系統處于測試狀態下,請不要觸摸測試線、被測物、測試棒和輸出端。
2.6. 不要使本儀器的測試線、線控線與交流電源線短路,以免儀器整體帶電。
2.7. 當測試完一個被測物,要更換另一被測物時,應使測試儀處于"復位"及"測試"指示燈熄滅和電壓示值為"0"狀態下進行。
特別注意:測試時,請不要用手觸摸高壓測試頭,以免發生意外。
2.8. 一旦電源開關被切斷時,如再度開啟時,則需等幾秒之后,千萬不要把電源開關連續做開與關的動作,以免產生錯誤的動作損壞儀器。
2.9. 數字局部放電檢測系統空載測試時,漏電流會有示值。

廠家承諾、客戶必讀
說明我公司將竭誠為您提供專業的產品及咨詢與有效的技術服務,并及時提供工程預約及產品使用疑難解答, 已購買或即將使用本公司產品的客戶,遇技術疑難,請致電我們。

我們嚴格遵守與客戶簽訂的合同的各項條款,嚴格履行廠家銷售服務承諾書,本產品一年質保,終身維修,因使用不當或保修期外的故障產品可憑產品保修卡修理。本公司堅持"用戶為是,品質為上"的服務使命,為客戶提供優質的產品和滿意的服務。

產品服務流程|檢定證書| 出廠報告|保修卡|物流包裝|產品技術

400-6698-612 全國產品統一服務熱線(免費咨詢)
027-87875698 / 027-87180938

027-87180938
工作時間(上午8點30分 至 下午17點30分)

產品維修中心|技術咨詢|訂制產品
  • 客服中心
  • 全國統一服務熱線:400-6698-612
  • 銷售咨詢:027-87875698
  • 技術售后:027-87180938
  • 2239963269 (點擊咨詢)
Copyright © 2016 CHINA DSEPA | 法律聲明 鄂ICP備14004560號
武漢鼎升電力自動化有限責任公司 版權所有 侵權必究